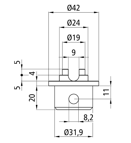
Наконечник для крепежной балки
27,8/34 мм
Держатели и наконечники балок применяются для соединения балок и брусьев между собой, а также для их фиксации к бетонному или кирпичному основанию. Все детали оснащены отверстиями для шурупов, саморезов или прочего крепежа.
Применение: используется в качестве соединительного элемента, предназначенного для крепления деревянных конструкций (для соединения второстепенных и основных балок).
Материал изготовления: сталь.
| КР0014 | Штанга крепления груза под такелажную рейку 142138506, Германия |



